| Начало раздела Производственные, любительские Радиолюбительские Авиамодельные, ракетомодельные Полезные, занимательные  | Хитрости мастеру Электроника Физика Технологии Изобретения  | Тайны космоса Тайны Земли Тайны Океана Хитрости Карта раздела  | |
| Использование материалов сайта разрешается при условии ссылки (для сайтов - гиперссылки) | |||
Навигация: =>  | На главную/ Каталог патентов/ В раздел каталога/ Назад / | 
  | 
ИЗОБРЕТЕНИЕ
Патент Российской Федерации RU2027278
![]()
ТРЕХФАЗНЫЙ КОМПЕНСАТОР РЕАКТИВНОЙ МОЩНОСТИ
Имя изобретателя: Климаш В.С.; Симоненко И.Г. 
Имя патентообладателя: Комсомольский-на-Амуре политехнический институт
Адрес для переписки: 
Дата начала действия патента: 1992.04.30 
Использование: для плавного регулирования амплитуды и фазы напряжения
нагрузки, обеспечения полной компенсации реактивной мощности, стабильности выходного
напряжения и улучшения симметрирования трехфазной системы напряжения нагрузки.
Сущность изобретения в цепях управления трехфазного трансформатора используются три
однофазных инвертора с системами управления, обеспечивающие регулирование фазы
выходных напряжений инверторов в каждой фазе на требуемые углы 
при которых величина выходного напряжения и величина потребляемой реактивной
мощности остаются на заданном уровне, а и применяются однофазные датчики
напряжения и однофазные датчики реактивного тока, которые совместно с системами
управления инверторами обеспечивают автоматическое симметрирование трехфазной
системы выходного напряжения при максимальном коэффициенте мощности сети.
ОПИСАНИЕ ИЗОБРЕТЕНИЯ
Изобретение относится к электротехнике, в частности к преобразовательной технике, и может быть использовано для компенсации реактивной мощности и улучшения качества электроэнергии.
Известно устройство для улучшения качества электроэнергии [1], которое содержит в каждой фазе однофазный вольтодобавочный трансформатор, имеющий одну удвоенную первичную обмотку со средней точкой и три вторичные обмотки, две из которых выполнены с числом витков, в 2 раза меньше, чем у третьей, причем в каждой фазе содержатся и однофазный управляемый выпрямитель с системой импульсно-фазового управления и однофазный инвертор с синхронизированной с сетью системой управления инвертором. Это устройство обеспечивает независимое регулирование амплитуды в каждой фазе, обеспечивая стабилизацию трехфазного напряжения на заданном уровне при несимметричной нагрузке и несимметричной сети.
Однако устройство не обеспечивает симметрирование напряжения по фазе, что снижает качество электроэнергии. Кроме того, оно не обеспечивает снижение потребляемой из сети реактивной мощности, а напротив при увеличении углов управления тиристорами управляемых выпрямителей потребляет дополнительную реактивную мощность из каждой фазы сети, увеличивая степень фазовой несимметрии.
Известен и трехфазный компенсатор реактивной мощности [2], содержащий трехфазный управляемый выпрямитель с системой импульсно-фазового управления и трехфазный инвертор напряжения с пофазной коммутацией и с синхронизированной с сетью системой управления, а и трехфазный реактор, включенный между сетью и выходом инвертора, и конденсатор, включенный в звено постоянного тока. В этом устройстве тиристоры инвертора включаются так, что основная гармоника его тока опережает на 90осетевое напряжение, осуществляя тем самым компенсацию реактивной мощности сети.
Однако этот компенсатор реактивной мощности имеет ограниченные возможности и низкое качество выходного напряжения. Он осуществляет частичную, зависящую от емкости конденсатора компенсацию, которая к тому же нерегулируемая, так как управляемый выпрямитель отключен и не воздействует на амплитуду компенсационной составляющей тока сети. Кроме того, устройство не обеспечивает стабилизацию и симметрирование напряжения нагрузки, что требует применения совместно с ним дополнительных устройств регулирования переменного напряжения.
Известный трехфазный компенсатор реактивной мощности, взятый за прототип [3], содержит в каждой фазе однофазный выпрямитель, LC-фильтр, однофазный инвертор, выполненный на четырех вентилях, регулятор индуктивного тока, выполненный на двух тиристорах и двух реакторах, а и содержит в каждой фазе синхронизированную с цепью систему управления инвертором и синхронизированную с сетью систему управления регулятором индуктивного тока, которые через элементы сравнения подключены к соответствующим датчикам обратной связи.
Недостатками устройства являются ограниченные функциональные возможности и низкое
качество электроэнергии, питающей нагрузку. Оно не обеспечивает стабилизацию и
симметрирование трехфазной системы напряжения нагрузки и вносит большие искажения в
форму тока, особенно при изменении угла отпирания тиристоров индуктивного регулятора
тока в интервале от 
 /2 до 
радиан в процессе регулирования генерируемой реактивной мощности.
Целью изобретения является повышение качества электроэнергии за счет симметрирования трехфазной системы выходного напряжения по амплитуде и по фазе.
Цель достигается тем, что в компенсатор введены три однофазных датчика реактивного тока, три однофазных датчика напряжения, три однофазных измерительных трансформатора тока, трехфазный измерительный трансформатор напряжения и трехфазный трансформатор, вторичные обмотки которого соединены последовательно с первичными обмотками однофазных трансформаторов тока и включены между сетью и нагрузкой, а первичные фазные обмотки подключены к входам однофазных инверторов, причем вторичные обмотки однофазных измерительных трансформаторов тока подключены к токовым входам однофазных датчиков реактивного тока одноименных фаз, входы напряжения которых подключены к двум другим фазам вторичной обмотки трехфазного измерительного трансформатора напряжения с первичной обмоткой, подключенной к сети, а выходы однофазных датчиков реактивного тока соответственно подключены к первым входам синхронизированных с сетью систем управления инверторами, при этом входы элементов сравнения через датчики напряжения подключены к фазам нагрузки, а в качестве выпрямителя используется трехфазный мостовой выпрямитель, подключенный входом к точкам соединения первичных обмоток однофазных измерительных трансформаторов тока и вторичных фазных обмоток трехфазного трансформатора.
Такое устройство обладает тем преимуществом, что при компенсации реактивной мощности
и стабилизации напряжения на заданном уровне в каждой фазе обеспечивается
симметрование трехфазной системы напряжений нагрузки и повышается качество
электроэнергии. Кроме того, применение высокочастотной широтно-импульсной модуляции
инвертора улучшает форму выходного напряжения, что и способствует улучшению
качества электроэнергии. Наконец, в заявляемом устройстве применен трехфазный
выпрямитель вместо трех однофазных в прототипе и функция регулирования напряжения
возложена на инвертор, что уменьшает количество вентилей выпрямителя и не требует
применения регуляторов индуктивного тока, упрощая тем самым схему компенсатора.
Указанное повышение качества электроэнергии достигается за счет автоматического
регулирования двух параметров - скважности 
и фазы 
 напряжения однофазных инверторов
в зависимости от величины реактивного тока и величины напряжения в каждой фазе.
![]()  | ![]()  | ||
  | |||
На фиг. 1 изображена принципиальная схема силовой части компенсатора реактивной
мощности; на фиг. 2 - векторная диаграмма работы компенсатора; на фиг. 3 - временные
диаграммы напряжений инвертора и нагрузки для различных значений 
 и 
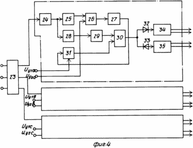
; на фиг. 4 - структурная схема
синхронизированной с сетью системы управления инвертором до уровня известных
функциональных элементов.
Компенсатор состоит из трехфазного трансформатора 1, трех однофазных инверторов 2, 3, 4 с синхронизированными с сетью системами 5, 6, 7 управления, выпрямителя 8, однофазных измерительных трансформаторов 9, 10, 11 тока, трехфазного измерительного трансформатора 12 напряжения, однофазных датчиков 13, 14, 15 реактивного тока, датчиков 16, 17, 18 напряжения нагрузки 19, элементов 20, 21, 22 сравнения.
На векторной диаграмме фиг. 2 U1A, U1B, U1C - несимметричная трехфазная
система напряжений сети, U2A, U2B, U2C - симметричная трехфазная система
напряжений на нагрузке; UfA, UfB, UfC - напряжение с выходов инверторов фаз
А, В, С соответственно; I1A, I1B, I1C - токи сети в фазах А, В, С, 
2A,
2B,
2C - углы между напряжением и током
нагрузки фаз А, В, С соответственно.
На временных диаграммах фиг. 3 U1 - мгновенное значение напряжения сети, U2 -
мгновенное значение напряжения на нагрузке и его первой гармоники, Uf, Uf(1) -
мгновенное значение напряжения инвертора и его первой гармоники, 
 - угол регулирования напряжения инвертора относительно напряжения сети, 
- угол между напряжениями сети и нагрузки.
Компенсатор работает следующим образом.
Выходное напряжение компенсатора, например фазы А, 
,
формируется из напряжения сети 
 и напряжения однофазного инвертора 2, UfA
·lj
, регулируемого по амплитуде за счет изменения 
 и по фазе за счет изменения 
. При помощи
первичной и вторичной фазных обмоток трехфазного трансформатора 1 выходное напряжение
однофазного инвертора 2 уменьшается в коэффициент трансформации Кт раз и
прибавляется к напряжению сети. В результате этого напряжение фазы А нагрузки 19 имеет
вид![]()
Из выражения (1) и из векторной диаграммы (фиг. 2) видно, что амплитуду и фазу вектора
напряжения 
 можно
регулировать изменением 
 и 
 . В предлагаемом компенсаторе изменение скважности 
 осуществляется в функции отклонения реактивного тока от нуля, а регулирование 
 - в функции отклонения напряжения нагрузки 19 от заданного уровня. При потреблении (генерации)
компенсатором реактивной мощности сигнал с выхода однофазного датчика 13 реактивного
тока, относящегося к рассматриваемой фазе А, поступает на первый управляющий вход
синхронизированной с сетью системы 5 управления однофазного инвертора 2 и увеличивает (уменьшает)
скважность 
 за счет высокочастотной
коммутации с изменением длительности проводящего состояния вентилей однофазного
инвертора 2 по синусоидальному закону (фиг. 3), осуществляя тем самым увеличение (уменьшение)
угла между напряжением сети 
 и напряжением нагрузки
.
При этом однофазный датчик 16 напряжения, осуществляя контроль напряжения фазы А 
,
подает сигнал обратной связи на элемент 20 сравнения, на котором этот сигнал
сравнивается с сигналом, пропорциональным заданному значению напряжения сети,
например номинальному. Разность этих сигналов с выхода элемента 20 сравнения подается
на второй управляющий вход синхронизированной с сетью системы 5 управления однофазным
инвертором 2, изменяя угол управления 
 вентилями однофазного инвертора 2. В результате такого целенаправленного воздействия
на 
 и 
 вектор напряжения однофазного инвертора 2 2
так формирует свой модуль и аргумент, что вектор 
является радиусом заданной окружности.
Процесс полной компенсации реактивной мощности с одновременной стабилизацией напряжения в двух других фазах происходит аналогично. Такое регулирование напряжения автоматически обеспечивает симметрирование трехфазной системы выходного напряжения.
На фиг. 4 23 - синхронизирующий трансформатор, 24 - формирователь синхронизирующих импульсов, 25 - генератор линейно изменяющегося напряжения, 26 - компаратор, 27 - дифференциатор, 28 - делитель частоты, 29 - генератор треугольного напряжения, 30 - компаратор, 31 - генератор синусоидальных колебаний, 32, 33 - диоды, 34, 35 - выходные каскады, Uy1a, Uy1b, Uy1c - сигналы управления, поступающие с датчиков 13, 14, 15 реактивной мощности, подключенных к фазам А, В, С сети соответственно, Uy2a, Uy2b, Uy2c - сигналы управления, поступающие с датчиков 16, 17, 18 напряжения, подключенных к фазам А, В, С нагрузки соответственно.
Использование предлагаемого компенсатора реактивной мощности по сравнению с известными позволяет осуществить полную компенсацию реактивной мощности нагрузки и симметрирование выходного напряжения независимо от внешней характеристики сети, а и от величины и характера нагрузки в фазах.
ФОРМУЛА ИЗОБРЕТЕНИЯ
ТРЕХФАЗНЫЙ КОМПЕНСАТОР РЕАКТИВНОЙ МОЩНОСТИ, содержащий в каждой фазе однофазный инвертор напряжения, вход которого подключен к выходу выпрямителя, и синхронизированную с сетью систему управления инвертором с вторым управляющим входом, отличающийся тем, что в него введены три однофазных датчика реактивного тока, три однофазных датчика напряжения, три элемента сравнения, три однофазных измерительных трансформатора тока, трехфазный измерительный трансформатор напряжения и трехфазный трансформатор, вторичные обмотки которого соединены последовательно с первичными обмотками однофазных измерительных трансформаторов тока и включены между сетью и нагрузкой, а первичные фазные обмотки трехфазного трансформатора подключены к выходам однофазных инверторов, причем вторичные обмотки однофазных измерительных трансформаторов тока подключены к токовым входам однофазных датчиков реактивного тока одноименных фаз, входы напряжения которых подключены к двум другим фазам вторичной обмотки трехфазного измерительного трансформатора напряжения с первичной обмоткой, подключенной к сети, а выходы однофазных датчиков реактивного тока соответственно подключены к первым входам синхронизированных с сетью систем управления инверторами, при этом входы элементов сравнения через датчики напряжения подключены входом к фазам нагрузки, а выходом - к системе управления инвертором, и в качестве выпрямителя использован трехфазный мостовой выпрямитель, подключенный входом к точкам соединения первичных обмоток однофазных измерительных трансформаторов тока и вторичных фазных обмоток трехфазного трансформатора.
Версия для печати
Дата публикации 15.02.2007гг
Created/Updated: 25.05.2018
 |




