| Начало раздела Производственные, любительские Радиолюбительские Авиамодельные, ракетомодельные Полезные, занимательные | Хитрости мастеру Электроника Физика Технологии Изобретения | Тайны космоса Тайны Земли Тайны Океана Хитрости Карта раздела | |
| Использование материалов сайта разрешается при условии ссылки (для сайтов - гиперссылки) | |||
Навигация: => | На главную/ Каталог патентов/ В раздел каталога/ Назад / |
|
ИЗОБРЕТЕНИЕ
Патент Российской Федерации RU2293416
![]()
АВТОНОМНЫЙ ИСТОЧНИК НАПРЯЖЕНИЯ
Имя изобретателя: Двойченко Евгений Владиславович (RU); Гришин Михаил Викторович
Имя патентообладателя: Двойченко Евгений Владиславович
Адрес для переписки: 121165, Москва, а/я 15, ООО "ППФ-ЮСТИС", пат.пов. Л.С.Пилишкиной, рег.№ 895
Дата начала действия патента: 2005.10.26
Изобретение относится к области электротехники и может быть использовано для подзарядки мобильных телефонов в автономном режиме. Техническим результатом является возможность начинать и заканчивать подзарядку аккумулятора в щадящем режиме, а подзарядку мобильного телефона - как на солнечном свету, так и в полной темноте, обеспечение односторонней подачи электроэнергии от фотоэлектрического преобразователя (ФЭП) к аккумуляторной батарее. В автономном источнике напряжения диодно-конденсаторный блок состоит из конденсатора, включенного параллельно ФЭП, и двух быстродействующих диодов Шоттки, первый из которых включен последовательно между ФЭП и конденсатором, а второй - между конденсатором и аккумуляторной батареей со стороны ее положительного вывода.
ОПИСАНИЕ ИЗОБРЕТЕНИЯ
Изобретение относится к устройствам для накопления и сохранения электроэнергии, а именно для подзарядки мобильных телефонов в автономном режиме.
Известно устройство Battery Saver Pro 5 Watt для подзарядки мобильных телефонов, содержащее фотоэлектрический преобразователь (Интернет www.vampirchik-sun.nm.ru.)
Недостатком данного устройства являются его большие размеры, неудобство при транспортировке и использовании из-за его большой площади.
Наиболее близким аналогом предлагаемого устройства является устройство Violetta Solargear для подзарядки мобильных телефонов, содержащее фотоэлектрический преобразователь, аккумулятор, электронную схему повышения напряжения (Интернет www.vampirchik-sun.nm.ru).
Недостатком данного устройства является ненадежность, недоступность по цене широкому кругу потребителей, невозможность работы при отсутствии яркого света.
Техническим результатом изобретения является упрощение схемы при одновременном обеспечении требуемой мощности для зарядки в отсутствии яркого света. Изобретение обеспечивает возможность начинать и заканчивать подзарядку аккумулятора зарядного устройства в щадящем режиме, а зарядку аккумулятора мобильного телефона осуществлять как на солнечном свету, так и в полной темноте, обеспечивает одностороннюю подачу электроэнергии от фотоэлектрического преобразователя ФЭП к аккумуляторной батарее.
Технический результат достигается за счет того, что автономный источник напряжения содержит фотоэлектрический преобразователь (ФЭП), соединенный с аккумуляторной батареей через диодно-конденсаторный блок, при этом диодно-конденсаторный блок выполнен из конденсатора, включенного параллельно ФЭП, и двух быстродействующих диодов Шоттки, обеспечивающих отсутствие обратной связи, один из которых включен последовательно между ФЭП и точкой подключения положительного вывода конденсатора, а второй - между этой же точкой (конденсатором) и аккумуляторной батареей со стороны ее положительного вывода.
Кроме того, между аккумулятором и разъемом положительного вывода напряжения может быть включен диод Шоттки.
Кроме того, параллельно аккумуляторной батарее может быть включен светодиод через выключатель.
Кроме того, он может содержать повышающий регулятор напряжения.
![]() | ![]() |
![]() | ![]() |
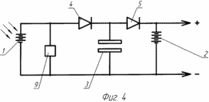
На фиг.1 указана схема автономного источника напряжения; на фиг.2 - то же, с диодом Шоттки; на фиг.3 - то же, с экономичным источником света; фиг.4 - то же, с повышающим регулятором напряжения.
Автономный источник напряжения (фиг.1) содержит фотоэлектрический преобразователь (ФЭП) 1, соединенный с аккумуляторной батареей 2 через диодно-конденсаторный блок, состоящий из конденсатора 3, включенного параллельно ФЭП 1, и двух быстродействующих диодов 4 и 5 Шоттки, первый из которых включен между ФЭП 1 и конденсатором 3, а второй - между конденсатором 3 и аккумуляторной батареей 2 со стороны ее положительного вывода. Параллельно аккумуляторной батарее 2 включен светодиод 6 через выключатель 7. Между аккумуляторной батареей 2 и разъемом положительного вывода напряжения может быть включен диод Шоттки 8 (фиг.2). и автономный источник напряжения может содержать повышающий регулятор 9 напряжения (фиг.4) для достаточного зарядного напряжения и тока для подачи на аккумуляторную батарею 2 в случае применения ФЭП с низким выходным напряжением, недостаточным для качественной зарядки аккумуляторной батареи.
После начала поступления подачи зарядного тока от ФЭП 1 сначала заряжается конденсатор 3 и далее аккумуляторная батарея 2. После прекращения поступления зарядного тока от ФЭП 1 начинает разряжаться конденсатор 3 и отдавать свою емкость через диод 5 на аккумуляторную батарею 2, т.е. выполняет роль промежуточного емкостного буфера с односторонней связью. Диод 4 обеспечивает отсутствие обратной связи между конденсатором 3 и ФЭП 1, а диод 5 обеспечивает отсутствие обратной связи и разряд аккумуляторной батареи 2 через конденсатор 3.
ФЭП 1 в предлагаемом зарядном устройстве рассчитан на рабочее напряжение 6,5 В и ток не менее 100 мА при условии мощности солнечного освещения не менее 800 вт/кв.м.
Устройство компактно, имеет малый вес и размеры его не превышают 135×65×22 мм.
Функционально для зарядки любых мобильных телефонов как на солнечном свету, так и в полной темноте.
Используемые аккумуляторы стандартного типа никелькадмиевые или никельметаллгидридные - тип ААА и достаточно дешевые.
При зарядке от описанного устройства мобильных телефонов не важно, заряжены ли полностью аккумуляторы в зарядном устройстве или нет, т.к. даже их минимальное напряжение и мощность выше таких же характеристик аккумуляторов в мобильном телефоне.
Использование в цепи зарядки между ФЭП 1 и аккумуляторной батареей 2 диодно-конденсаторного блока позволяет существенно повысить срок службы аккумулятора, а в итоге и всего изделия в целом.
Напряжение, выдаваемое ФЭП 1, через диодно-конденсаторный блок поступает на аккумуляторную батарею 2 и не превышает максимально допустимое напряжение, необходимое для зарядки, т.е. аккумулятор невозможно перезарядить, что и существенно сказывается на сроке ею службы.
Использование в зарядном устройстве дополнительно светодиода 6 (фиг.3) помогает для подсветки при подключении мобильного телефона в темноте, а и данную функцию можно с успехом использовать как локальную подсветку и в светосигнальных целях.
При использовании в зарядном устройстве низковольтных ФЭП 1 и с низким кпд применяется повышающий регулятор 9 напряжения для обеспечения достаточного зарядного напряжения и тока для подачи на аккумуляторную батарею 2.
Аккумуляторы в мобильном телефоне после окончания зарядки от предлагаемого зарядного устройства имеют напряжение немногим больше допустимого минимального напряжения разрядки самих аккумуляторов зарядного устройства, следовательно, последние не имеют полной разрядки.
ФОРМУЛА ИЗОБРЕТЕНИЯ
1. Автономный источник напряжения, содержащий фотоэлектрический преобразователь (ФЭП), соединенный с аккумуляторной батареей, отличающийся тем, что ФЭП соединен с аккумуляторной батареей через диодно-конденсаторный блок, состоящий из конденсатора, включенного параллельно ФЭП, и двух быстродействующих диодов Шоттки, обеспечивающих отсутствие обратной связи, один из которых включен между ФЭП и конденсатором, а второй - между конденсатором и аккумуляторной батареей со стороны ее положительного вывода.
2. Источник напряжения по п.1, отличающийся тем, что между аккумулятором и разъемом положительного вывода напряжения включен дополнительный диод Шоттки.
3. Источник напряжения по п.1, отличающийся тем, что параллельно аккумуляторной батарее включен светодиод через выключатель.
4. Источник напряжения по п.1, отличающийся тем, что между ФЭП и диодно-конденсаторным блоком включен повышающий регулятор напряжения.
Версия для печати
Дата публикации 17.02.2007гг
Created/Updated: 25.05.2018
|




